Takeoff Sooner.
TAB Faster.
Win More.
TabPro AI is built for firms that demand fast and accurate — every time.
Bid turnaround
Minutes
Reviewability
Source-linked
Data continuity
Built in

From PDF to reviewed takeoff in four steps.
Upload your drawing set
Drop in plans, schedules, and legends as one mechanical PDF. Vector or scanned, up to 50 MB.
Swipe through workflow
New Proposal
Upload your mechanical drawing PDF to get started
Drop your PDF here
Mechanical drawing sets up to 50 MB
The same project data gets rebuilt again and again.
Most TAB teams still count equipment from PDFs, rebuild the takeoff in spreadsheets, then re-enter the same information for pre-field setup and final reporting. That slows bids, creates QA risk, and ties up senior people in clerical review.
Bid takeoff
2-8 hours
Pre-field setup
4-12 hours
Manual rebuilds
2+ handoffs
Review friction
Page hunting
From uploaded PDF to system topology.
Real drawings. Real extraction. Every screenshot below is from a live workflow.

Upload
Drop your mechanical PDF. Processing starts immediately.
Upload a drawing set and the platform begins splitting pages, running OCR, and preparing tiles for detection — all visible in a live log.
Classification
Floor plans, schedules, and legends — sorted before processing.
Every page in your drawing set is classified so only relevant sheets get processed. Adjust categories before confirming.


Detection
Equipment tagged automatically across every sheet.
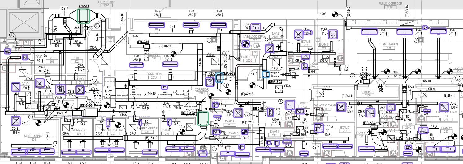
TabPro AI identifies diffusers, VAVs, FPVAVs, and other equipment directly on the drawing. No manual counting.
Review
Confidence scores on every item. Approve or correct in one click.
Each detection is linked back to the source page. Low-confidence items are flagged so your reviewer focuses on exceptions, not re-entry. See how extraction notes catch missed scope items.


Export
Reviewed takeoff ready for export and project setup.
Once approved, download the takeoff sheet or create a project directly. The same dataset carries forward — no rebuilding downstream.
System Topology
See how equipment connects — AHUs, terminals, diffusers mapped end to end.
After approval, the platform maps the full HVAC system topology: which AHU feeds which terminals, how many diffusers per zone, and total CFM at every level.

A platform that connects takeoff, review, and delivery.
TabPro AI is not just a takeoff tool. It gives Testing, Adjusting, and Balancing teams one connected system for HVAC takeoff, reviewer QA, project setup, and final reporting.
Bid Takeoff
Upload mechanical PDFs. TabPro AI classifies pages, extracts equipment, and gives reviewers a split view to confirm every item against the source drawing before export.
Reviewer QA Workspace
Reviewers get source-linked detections, split-view drawing context, confidence signals, and fast correction tools so exceptions are resolved before data moves downstream.
Project Setup & Reporting
Once awarded, the reviewed equipment list becomes the starting point for project records, pre-field workbooks, QA checks, and final report generation. No rebuilding from scratch.
Speed matters, but clean handoffs matter more.
The value is not just faster counting. It is fewer spreadsheets, faster review, and better continuity from estimating to delivery.
Takeoff turnaround
Minutes
For drawing sets that usually take hours to count manually.
Reviewer context
Source-linked
Each item stays tied to the drawing page it came from.
Downstream re-entry
Reduced
Reviewed data can move into setup and reporting instead of starting over.
For estimating
Bid more opportunities without adding more spreadsheet work to the front end.
For operations
Awarded jobs start with structured equipment data instead of a blank workbook.
For QA and reporting
Delivery teams start from reviewed project data instead of another manual rebuild.
Common questions, answered.
Accuracy depends on drawing quality and equipment type. TabPro AI surfaces confidence scores, links every record back to the source page, and gives reviewers a fast way to correct misses before export.
Yes. TabPro AI sends only non-identifiable data to AI models. Your data remains secure and is not shared with anyone else.
Yes. TabPro AI supports vector PDFs and scanned drawing sets. The current upload limit in the app is 50 MB per file.
Reviewers can reject detections, reclassify them, or add missing equipment directly against the PDF. The workflow is built so a human can clean up exceptions quickly instead of starting from scratch.
Yes. The reviewed takeoff can become the starting dataset for project setup, equipment editing, QA validation, and final TAB reporting.
The downstream reporting workflow is designed for TAB delivery teams that need structured project data, QA checks, and report outputs aligned with common industry standards.
It is a web application, so there is no local install. Most teams can review a live drawing set in the first demo and move into onboarding from there.
Bring a mechanical set. We'll show you the takeoff live.
We'll run one of your PDFs through TabPro AI, review the extracted equipment with your team, and show how the same dataset moves into project setup and reporting.